Wiper seal SDR -53
							
								Mã sản phẩm:
									
									SDR -53
									
									
								
							
							
							
								
									Phí vận chuyển:
								
									Tính phí khi thanh toán
								
							
							
							
							
								Mô tả ngắn
							
							
								
									
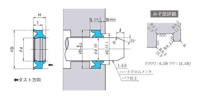
									● Wipers should be installed in the direction specified in the above schematic.
● Consider adopting divided grooves if one-piece groove is technically adverse.
● Refer to the dimension as it
									
								
							 
							
							
							
								
									
 Hỗ trợ trực tuyến
									
Hotline/Zalo/Viber: 0946 265 720
									